Caracteristici
Grundfos MAGNA3 32-120 F este pompa de circulatie cu motor cu magnet permanent care se potriveste perfect atat pentru aplicatiile de incalzire, racire, cat si pentru circulatia apei calde menajere, facand-o alegerea evidenta pentru aproape orice proiect de constructie - vechi sau nou. Cu eficienta sa de neegalat, gama cuprinzatoare si capacitatile de comunicare incorporate plus functionalitati care inlocuiesc componentele sistemului, este ideala pentru proprietarii de cladiri, inginerii si specificatorii care doresc sa creeze sisteme de inalta performanta pentru cladiri.
MAGNA3 este de tip cu rotor umed, adica pompa si motorul formeaza o unitate integrala fara etansare a arborelui si cu doar doua garnituri pentru etansare. Rulmentii sunt lubrifiati de lichidul pompat.
Clema inovatoare cu un singur surub permite repozitionarea usoara a capului pompei. Este o pompa fara cerinte de intretinere si cu un cost al ciclului de viata extrem de redus.
Potrivit pentru:
Aer conditionat- cladiri comerciale
Incalzire - cladiri comerciale
Racire centralizata
Termoficare
Recirculare apa calda menajera
Incalzire domestica
Racire
Incalzire industriala
Lichid:
Lichid pompat: Apa
Gama temperaturii lichidului: -10 .. 110 °C
Temperatura lichidului in timpul functionarii: 60 °C
Densitate: 983.2 kg/m³
Tehnic:
Debit nominal: 11.22 m³/h
Inaltime de pompare nominala: 7.239 m
Clasa TF 110
Aprobari pe eticheta CE,VDE,EAC,CN ROHS,WEEE
Materiale:
Corpul pompei: Fonta EN-GJL-200, ASTM A48-250B
Rotor: PES 30%GF
Instalatie:
Gama temperaturii ambientale: 0 .. 40 °C
Presiune de functionare maxima: 10 bar
Flansa standard: DIN
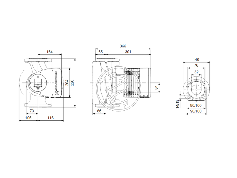
Conexiune conducta: DN 32
Evaluare presiune: PN 6/10
Lungimea dintre porturi: 220 mm
Date electrice:
Putere de introdusa - P1: 15 ..333 W
Frecventa retelei electrice: 50 / 60 Hz
Tensiune nominala: 1 x 230 V
Curent consumat maxim: 0.18 .. 1.55 A
Grad de protectie (IEC 34-5): X4D
Clasa de izolare (IEC 85): F
























